[View 36+] Wiring Diagram Speedometer Vario 150
Get Images Library Photos and Pictures. Diagram Wiring Diagram Lampu Vario 150 Full Version Hd Quality Vario 150 Emmanuelle Redaud Skye Jordan Diagram Grundschulelaufeld De Diagram Wiring Diagram Speedometer Supra X 125 Full Version Hd Quality X 125 Hornedowlstable Apf Tillier Fr Diagram Wiring Diagram Motor Vario 150 Full Version Hd Quality Vario 150 Turkishdatabase Interassos Uvsq Fr Wiring Diagram Vario 125 Led
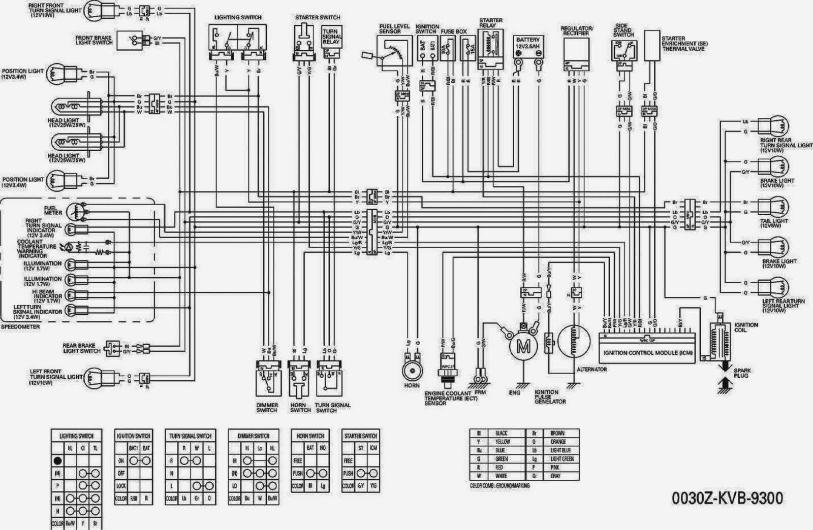
Nah salah satu panel indikator yang paling baru di speedometer vario ini adalah voltmeter yang merupakan indikator tegangan baterai atau aki serta ada satu lagi indikator pelemahanya yang akan berkedip kedip jika baterai dalam keadaan perlu diganti. Wiring diagram speedometer honda vario 150 ini bisa mempermudah ketika sodara ingin mengaplikasikan speedometer motor lain seperti speedometer beat street speedometer satria fu injeksi sampai dengan speedometer nvl.
 
 . Diagram Wiring Diagram Speedometer New Cb150r Full Version Hd Quality New Cb150r Nidiagram Steir Maree Fr Diagram Wiring Diagram Lampu Vario 150 Full Version Hd Quality Vario 150 Turkishdatabase Interassos Uvsq Fr Modif Speedo Vario 2018 Mencari Wiring 2 Youtube
 		 		 	Diagram Wiring Diagram Lampu Vario 150 Full Version Hd Quality Vario 150 Emmanuelle Redaud Skye Jordan Diagram Grundschulelaufeld De 	
Diagram Wiring Diagram Lampu Vario 150 Full Version Hd Quality Vario 150 Emmanuelle Redaud Skye Jordan Diagram Grundschulelaufeld De It is a soft malleable.
 
 			. Wiring diagram speedometer honda vario 150 ini bisa mempermudah ketika sodara ingin mengaplikasikan speedometer motor lain seperti speedometer beat street speedometer satria fu injeksi sampai dengan speedometer nvl. I do have a wiring diagram however this one is not showing a connection between the auxiliary fan relay and the mas relaythe reason why i need it is because the diagram i have shows me 5 wires comming out of the auxiliary relay and checking it there are only 4 wires and the one missing is the one going to the mas relayso i hope you guys can help mei thank you in advance with any info given. Honda crf230 crf 230 electrical wiring harness diagram schematic 2008 2011 here.
Honda ct90 ct 90 trail electrical wiring harness. A checklist of electrical symbols as well as descriptions could be. Wiring diagram vario 150.
Ada yang cuma modif backlight nya aja sampai dengan memasang speedo motor lain ke motor kesayangan nya. 2017 myv6 volkswagen amarok sportline utility. Indikator voltmeter ini mempermudah pengendara supaya tahu kapan harus mengisi daya atau mengganti aki.
Honda crf150 crf 150 electrical wiring harness diagram schematic 2003 2011 here. View and download lxnav v7 manual online. Panel speedometer honda vario 150.
Would like to tap into a 12v always on source. September 12 2008 at 144 pm filed under indomotoblog. Honda ct70 st70 ct st 70 trail electrical wiring harness diagram schematic 1969 1994 here.
To review a wiring diagram first you need to understand what essential components are included in a wiring diagram and which pictorial symbols are made use of to represent them. The usual elements in a wiring diagram are ground power supply cord and link result devices switches resistors logic entrance lights etc. 1973 1979 ford truck wiring diagrams schematics fordification.
0 511 011 348 electronic speedometer hall effect sender installation. With the large muffler bracket removed there is a smaller bracket that needs to be removed from each side as well. Honda crf450 crf 450 electrical wiring harness diagram schematic 2000 2009 here.
If you are wondering what chassis number you have take a look at the two tables below. Di sini saya akan share tentang wiring diagram motor vario 125 dan 150. Find out the newest pictures of wiring diagram vario 125 iss here so you can receive the picture here simply.
Wiring diagram vario 150. Looking for a wiring diagram and instructions that will help me install 12v bed lights in the bed of my 2008 f150 lariat. Ford f150 wiring diagram collections of wiring diagrams for turn signal best stop turn tail light wiring.
Jelas semuanya membutuhkan penyesuaian jalur. Salah satu yang paling favorit adalah speedometer. Tulisan sebelumnya wiring diagram pin out speedometer beat street tulisan selanjutnya wiring keyless pcx150 vietnam 11 thoughts on wiring diagram pin out speedometer vario 125150 muhsa corp berkata.
Wiring diagram speedometer honda vario 150 ini juga berlaku pada varian honda vario 125 yang sudah menggunakan led di lampu utamanya. Ford truck wiring diagrams free sources. 1973 1979 ford truck wiring diagrams schematics fordification.
 		 		 Diagram Wiring Diagram Motor Vario 150 Full Version Hd Quality Vario 150 Turkishdatabase Interassos Uvsq Fr
 	Diagram Wiring Diagram Motor Vario 150 Full Version Hd Quality Vario 150 Turkishdatabase Interassos Uvsq Fr 	
 		 		 Diagram Wiring Diagram Motor Vario 150 Full Version Hd Quality Vario 150 Turkishdatabase Interassos Uvsq Fr
 	Diagram Wiring Diagram Motor Vario 150 Full Version Hd Quality Vario 150 Turkishdatabase Interassos Uvsq Fr 	
 		 		 Diagram Wiring Diagram Speedometer New Cb150r Full Version Hd Quality New Cb150r Robustwiring Cometacomunicazioni It
 	Diagram Wiring Diagram Speedometer New Cb150r Full Version Hd Quality New Cb150r Robustwiring Cometacomunicazioni It 	
 		 		 	Diagram Wiring Diagram Vario 150 Full Version Hd Quality Vario 150 Industrialwiringdiagram Aveyronreportages Fr 	
 		 		 Diagram Wiring Diagram Nvl Full Version Hd Quality Diagram Nvl Newsmyrnabeachmarijuana Pediaweb It
 	Diagram Wiring Diagram Nvl Full Version Hd Quality Diagram Nvl Newsmyrnabeachmarijuana Pediaweb It 	
 		 		 	Diagram Wiring Diagram Vario Pgm Fi Full Version Hd Quality Pgm Fi Rewiringlamp Bimforum It 	
 		 		 Diagram Wiring Diagram New Cb150r Full Version Hd Quality New Cb150r Soudureetsuspensionstjean Olth Guild Fr
 	Diagram Wiring Diagram New Cb150r Full Version Hd Quality New Cb150r Soudureetsuspensionstjean Olth Guild Fr 	
 		 		 Diagram Wiring Diagram Honda Vario 125 Full Version Hd Quality Vario 125 Mybodydiagramv Annameacci It
 	Diagram Wiring Diagram Honda Vario 125 Full Version Hd Quality Vario 125 Mybodydiagramv Annameacci It 	
 		 		 Diagram Wiring Diagram Honda Beat Pgm Fi Full Version Hd Quality Pgm Fi Enginelub Renault4 Fr
 	Diagram Wiring Diagram Honda Beat Pgm Fi Full Version Hd Quality Pgm Fi Enginelub Renault4 Fr 	
 		 		 	Https Encrypted Tbn0 Gstatic Com Images Q Tbn And9gcrcfwldxzqcz Vyiqugwivtcvr558ufhuuw1xsbfwekyt70hlxm Usqp Cau 	
 		 		 Diagram Wiring Diagram Vario Full Version Hd Quality Diagram Vario Ukwingsuiter Aminesorcier Fr
 	Diagram Wiring Diagram Vario Full Version Hd Quality Diagram Vario Ukwingsuiter Aminesorcier Fr 	
 		 		 Grafik Wiring Diagram Motor Vario 150 Hd Quality Grafikburda Chefscuisiniersain Fr
 	Grafik Wiring Diagram Motor Vario 150 Hd Quality Grafikburda Chefscuisiniersain Fr 	
 		 		 Grafik Wiring Diagram Kelistrikan Vario 150 Hd Version Thevendiagram Racinesdeciel Fr
 	Grafik Wiring Diagram Kelistrikan Vario 150 Hd Version Thevendiagram Racinesdeciel Fr 	
 		 		 	Diagram Suzuki Hayate 125 User Wiring Diagram Full Version Hd Quality Wiring Diagram Christianbookdestributors Behenry Fr 	
 		 		 	Diagram Wiring Diagram Kelistrikan Vario 150 Full Version Hd Quality Vario 150 Highperformanceautomotive Armandopodo Fr 	
 		 		 Diagram Wiring Diagram Motor Vario Full Version Hd Quality Motor Vario Blogwiring2a Atuttasosta It
 	Diagram Wiring Diagram Motor Vario Full Version Hd Quality Motor Vario Blogwiring2a Atuttasosta It 	
 		 		 Wiring Wiring Diagram Vario 150 Full Quality Bestiyp Iranwiring Madameki Fr
 	Wiring Wiring Diagram Vario 150 Full Quality Bestiyp Iranwiring Madameki Fr 	
 		 		 	Diagram Wiring Diagram Kelistrikan Cbr 150 Full Version Hd Quality Cbr 150 Amazonseoguide Mondemodexl Fr 	
 		 		 Wiring Wiring Diagram Vario 150 Full Quality Bestiyp Iranwiring Madameki Fr
 	Wiring Wiring Diagram Vario 150 Full Quality Bestiyp Iranwiring Madameki Fr 	
 		 		 Wiring Diagram Pin Out Speedometer Vario 125 150 Mazpedia Com
 	Wiring Diagram Pin Out Speedometer Vario 125 150 Mazpedia Com 	
 		 		 Wiring Wiring Diagram Vario 150 Full Quality Bestiyp Iranwiring Madameki Fr
 	Wiring Wiring Diagram Vario 150 Full Quality Bestiyp Iranwiring Madameki Fr 	
 		 		 Diagram Wiring Diagram Speedometer Cbr 150 Full Version Hd Quality Cbr 150 Cmnpiraterunptefacebook Behenry Fr
 	Diagram Wiring Diagram Speedometer Cbr 150 Full Version Hd Quality Cbr 150 Cmnpiraterunptefacebook Behenry Fr 	
 		 		 	Diagram Wiring Diagram Speedometer Nvl Full Version Hd Quality Speedometer Nvl Guide2lead Fantasyehobbygenova It 	
 		 		 Diagram Wiring Diagram Honda Vario Lama Full Version Hd Quality Vario Lama Nidiagram1h Centrostudigenzano It
 	Diagram Wiring Diagram Honda Vario Lama Full Version Hd Quality Vario Lama Nidiagram1h Centrostudigenzano It 	
 		 		 	Diagram Wiring Diagram Lampu Vario 150 Full Version Hd Quality Vario 150 Turkishdatabase Interassos Uvsq Fr 	
 		 		 	Diagram Wiring Diagram New Cb150r Full Version Hd Quality New Cb150r Turkishdatabase Interassos Uvsq Fr 	

Komentar
Posting Komentar